안전성 확보/자율주행 AGV 물류 로봇으로 산업재해와

안녕하세요. 브라더 GTR입니다.

코로나19 장기화 영향으로 인한 비대면 전자상거래 확산으로 물류산업은 확장하고 있습니다.전 세계 물류센터는 앞다퉈 자동화 설비 확충을 추진하고 있습니다. 이 같은 움직임은 국내 물류업계에서도 비슷한 상황을 보이고 있습니다.물류에 다양한 기술을 접목해 자동화를 모색하고 스마트팩토리로 급속한 변화를 맞고 있습니다. 특히 물류 로봇의 이용이 활발하게 행해지고 있습니다.

물류로봇자동화에가장대표적인기술은라인트레이싱기반의문인운반시스템,즉AGV입니다.AGV는 유도장치를 통해 정해진 코스를 따라 이동하면서 지정된 장소로 물건을 이송하는 무인이송 차량을 말합니다.

출처 : BROTHERKOREA YOUTUBE (https://www.youtube.com/channel/UC_24HWULd6vu7wEuLMPaT-Q/featured))

AGV 이송은 바닥에 설치된 유도선을 따라 이동하고 지정된 장소에 도착하면 센서를 통해 위치를 인식해 정지하는 방식입니다. 컨베이어와 통신센서를 통해 신호를 주고받으며 물품의 치아. 적재를 수행합니다.제조와 물류 분야에서 AGV는 착실하게 활용되어 왔습니다.생산현장에서는 조립공간 무인반송 또는 제조공장에서 보관창고까지 물류이송을 AGV로 교체하고 있는 추세입니다. 또한 공장 내에서 사용되는 전동지게차는 안전사고 예방을 위해 점차 무인지게차인 AGV지게차로 바뀌게 됩니다.

출처 : BROTHERKOREA HomepageGTR (https://www.brother-korea.com/ko-kr/contents/gearmotors#))

스마트팩토리 물류 이송 AGV는 작업의 효율을 높이고 산업재해를 줄이는 데 높은 안정성을 보이는데 핵심적인 역할을 하고 있습니다.AGV Guide 방식은 마그네틱 가이드 방식, QR-Code 가이드 박식, 레이저 가이드 박식, 자율주행 가이드 방식 등이 있으며 최근에는 마그네틱 가이드나 레이저 가이드 방식을 넘어 자동차처럼 주변 환경을 인식하고 주행하는 자율주행 방식으로 변화하고 있는 상황입니다.

출처 – Transboticscorporation, Daifuku사 발췌

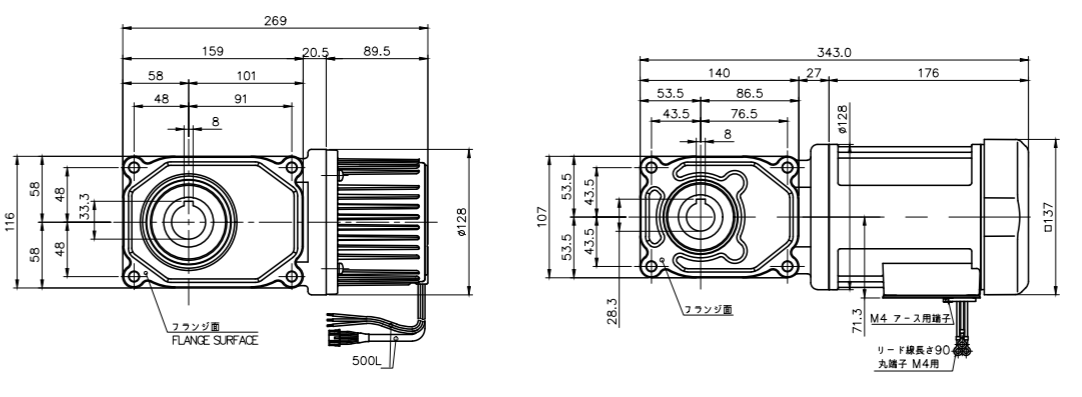
브라더 GTR 배터리 전원 타입 DC 모터는 AGV에 적용 가능한 모터입니다.스마트팩토리 무인물류자동화 시스템 및 물류라인 내 AGV(Automated Guide Vehicle)에 적용 가능한 V시리즈, V/SD-시리즈는 감속기 일체형으로 AGV 구동부에 직결되어 사용할 수 있어 사용자의 요구에 맞는 속도제어가 가능합니다.

출처 : FA Industrynews

브라더 GTRV/SD-시리즈인 배터리 전원 타입 DC모터는 DC12/24/48V 전압의 배터리 전원으로 운전할 수 있으며 배터리 전원 구동으로 배선에 의한 케이블 간선이 없기 때문에 특히 AGV와 같은 이동체에 적합한 모터입니다. 배터리 제품으로 정전이나 전원이 차단된 상태에서도 구동이 가능합니다.

출처 : 브라더 GTR

또한 감속기 일체형 구조와 팬리스로 크기가 콤팩트한 이점이 AGV의 Wheel과의 간섭과 주변 구조물의 영향을 피할 수 있습니다.

브라더 GTRV-시리즈 동심중공축(F3S) 400W

AGV 구조물에 맞는 설계가 가능하도록 용량, 축형태, 감속기, 전원전압 등 다양하게 라인업 되어 있습니다.

감속기에 하이포이드기어를 채택하여 소음이 적고 전달 효율이 높아 수명이 길어 강한 내구성이 특징입니다.

출처 : BROTHER-USA.com

스마트 팩토리 물류 라인에 구동되는 AGV에 브라더 GTRV 시리즈는 다양한 현장에 적용되고 있습니다.자세한 정보와 제품 상담은 홈페이지에서 문의 가능합니다.감사합니다。

www.brother-korea.com

error: Content is protected !!